首页
公司简介
产品中心
生产建设项目水土保持方案
生产建设项目水土保持监测
生产建设项目水土保持监理
生产建设项目水土保持设施验收
工程案例
新闻资讯
公司新闻
行业资讯
客户留言
人才招聘
联系我们
位置:
首页
> 新闻资讯 > 公司新闻
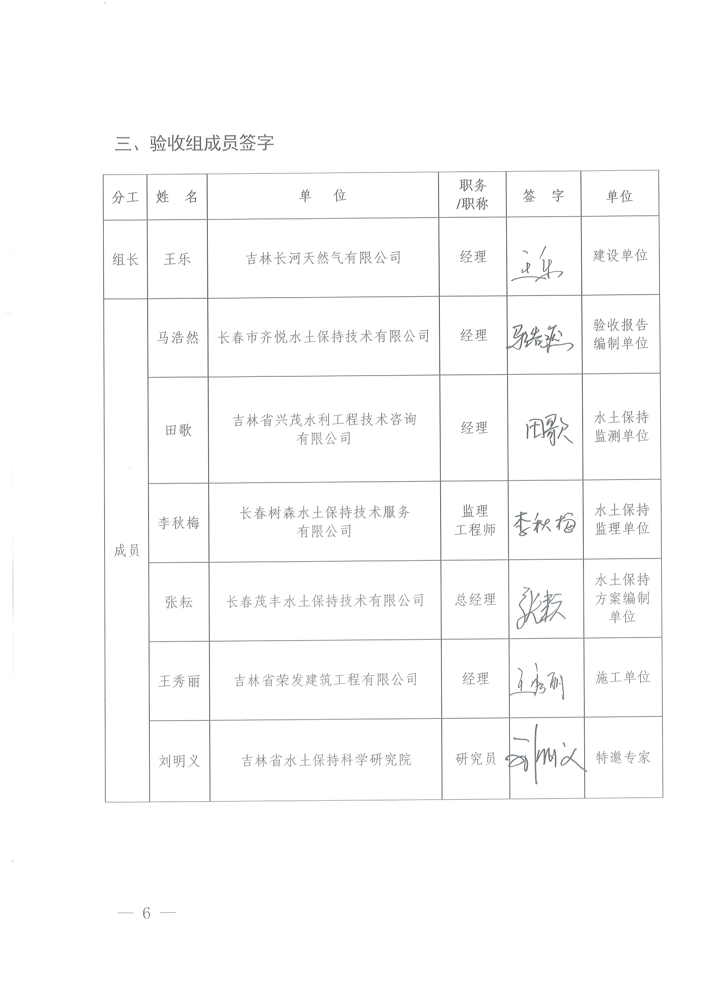
验收签定书-吉林长河天然气有限公司农安县合隆天然气综合利用工程门站工程建设项目
发表时间:
2022-09-16
阅读次数: 字体:【
大
中
小
】
上一篇:
水土保持设施验收公示说明-汽车电子研发中心(一期)
下一篇:
水土保持设施验收公示说明-吉林长河天然气有限公司农安县合隆天然气综合利用工程门站工程建设项目
友情链接
海安市人民政府
海安市国土局
海安慢思
海安市行政审批局
海安市发改委
海安石板街
海安市环保局
海安建管局
海安网
联系我们
办公地址:吉林省长春市经济技术开发区尊誉东方
联系方式:18943989691
Email地址:332570190@qq.com
Copyright © 2018-
长春茂丰水土保持技术有限公司 All Rights Reserved. 备案号:
吉ICP备2020007212号
地址:吉林省长春市经济技术开发区尊誉东方 联系人:张总 电话:0431-84629180 手机:18943989691 业务QQ:332570190
腾云建站仅向商家提供技术服务