首页
公司简介
产品中心
生产建设项目水土保持方案
生产建设项目水土保持监测
生产建设项目水土保持监理
生产建设项目水土保持设施验收
工程案例
新闻资讯
公司新闻
行业资讯
客户留言
人才招聘
联系我们
位置:
首页
> 新闻资讯 > 公司新闻
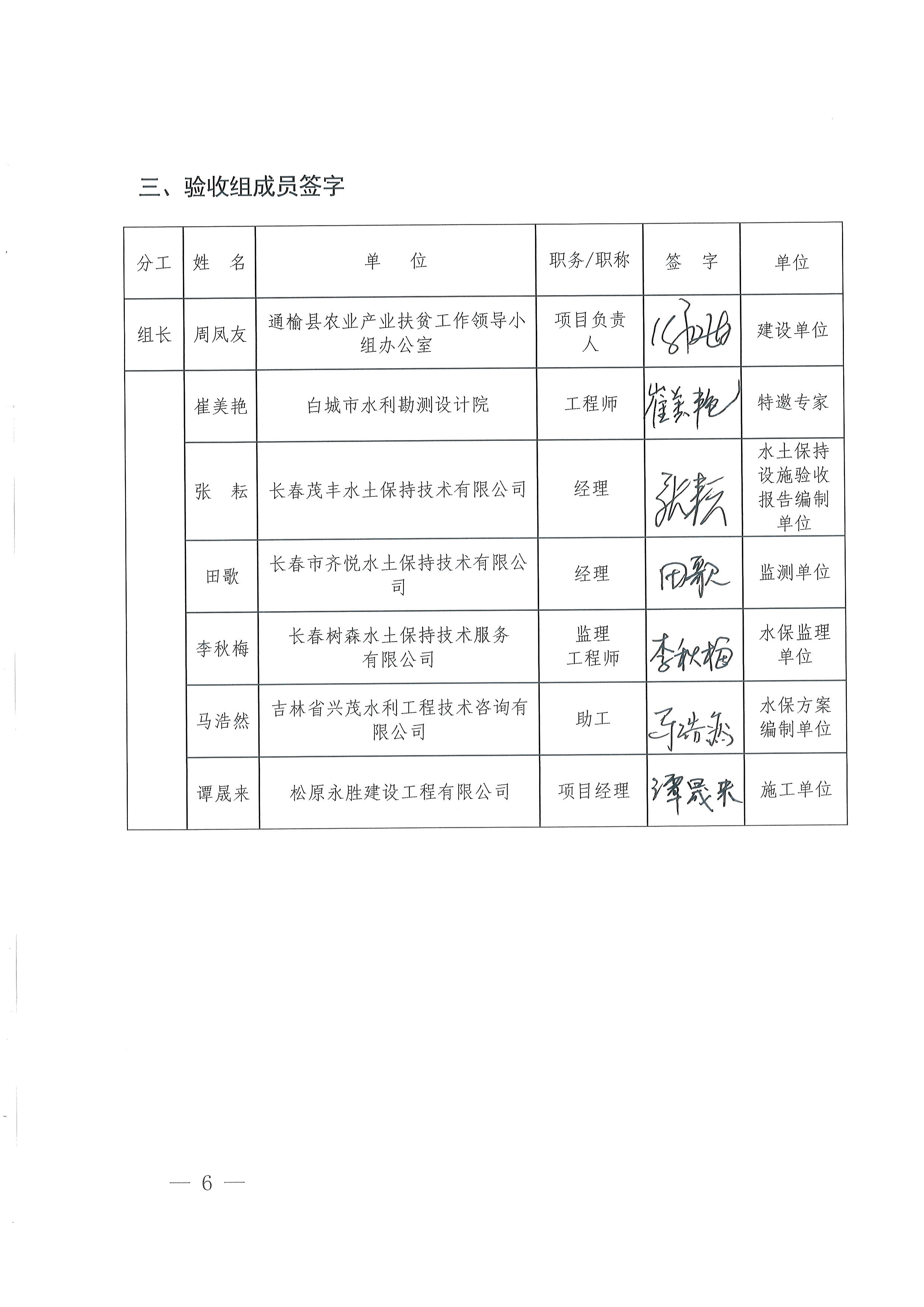
通榆县团结生猪养殖园区验收鉴定书
发表时间:
2021-07-02
阅读次数: 字体:【
大
中
小
】
上一篇:
通榆县团结生猪养殖园区水土保持设施验收报告
下一篇:
长春尚寓租赁住房建设项目水土保持方案报告书
友情链接
海安市人民政府
海安市国土局
海安慢思
海安市行政审批局
海安市发改委
海安石板街
海安市环保局
海安建管局
海安网
联系我们
办公地址:吉林省长春市经济技术开发区尊誉东方
联系方式:18943989691
Email地址:332570190@qq.com
Copyright © 2018-
长春茂丰水土保持技术有限公司 All Rights Reserved. 备案号:
吉ICP备2020007212号
地址:吉林省长春市经济技术开发区尊誉东方 联系人:张总 电话:0431-84629180 手机:18943989691 业务QQ:332570190
腾云建站仅向商家提供技术服务