关于吉林省顺安建筑材料有限公司年生产加工
130万m3建筑用安山岩加工厂项目
水土保持设施自主验收情况公示
《国务院关于取消一批行政许可事项的决定》(国发〔2017〕46号)取消了生产建设项目水土保持设施验收审批行政许可事项,转为生产建设单位按照有关要求自主开展水土保持设施验收。《水利部关于加强事中事后监管规范生产项目水土保持设施自主验收的通知》(水保〔2017〕365号)及《水利部关于进一步深化“放管服”改革全面加强水土保持监管的意见》(水保〔2019〕160号)对生产建设单位自主开展水土保持设施验收做了具体规定和要求。
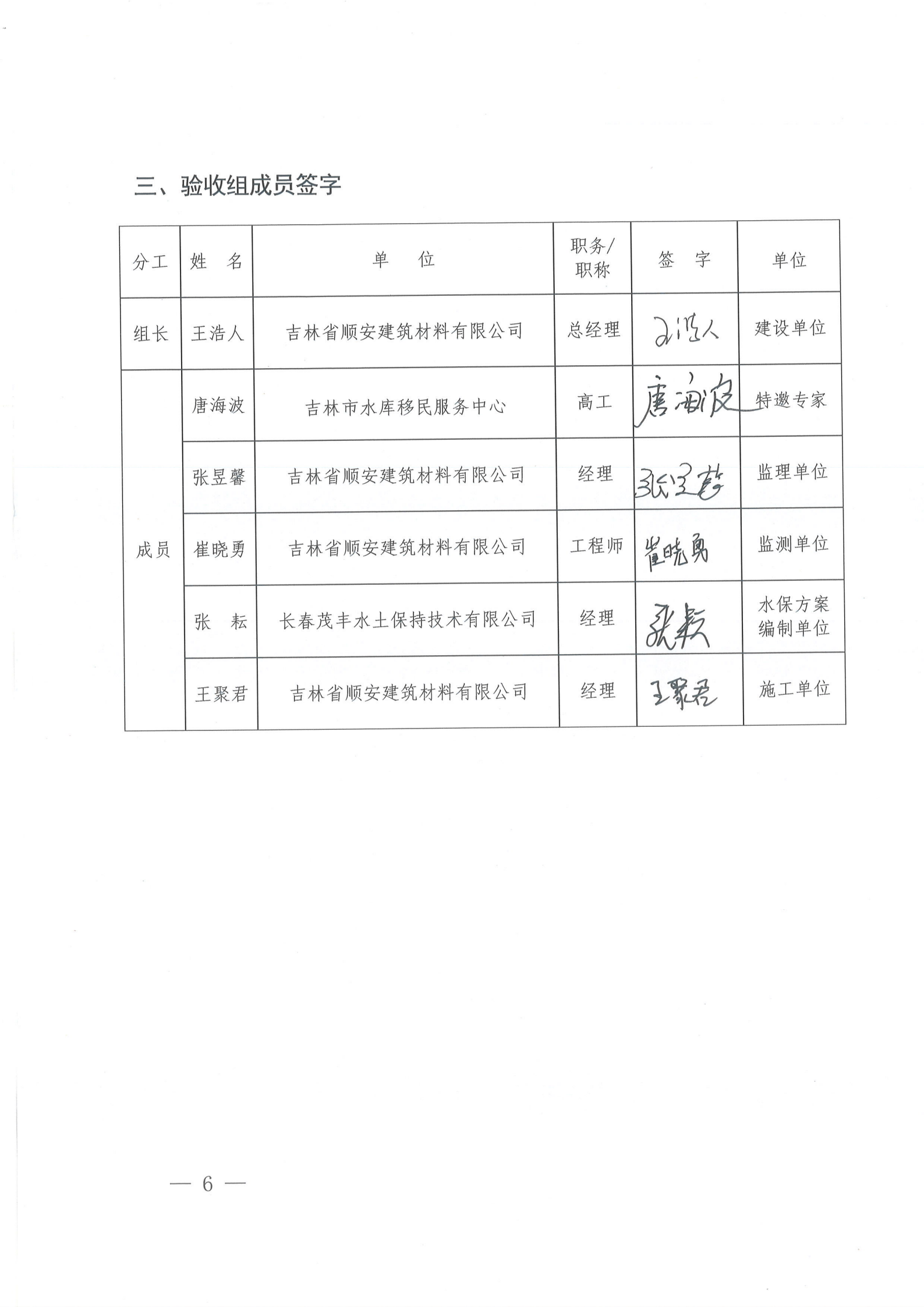
按照上述文件的规定,2021年7月1日,吉林省顺安建筑材料有限公司在吉林省吉林市船营区自主开展了吉林省顺安建筑材料有限公司年生产加工130万m3建筑用安山岩加工厂项目水土保持设施验收会议,验收组认为,吉林省顺安建筑材料有限公司年生产加工130万m3建筑用安山岩加工厂项目实施过程中落实了水土保持方案的要求,完成了水土流失预防和治理任务,水土流失防治指标达到水土保持方案确定的目标值,符合水土保持设施验收合格的条件。验收组一致同意吉林省顺安建筑材料有限公司年生产加工130万m3建筑用安山岩加工厂项目水土保持设施通过验收。经验收组与会议审议,形成了《吉林省顺安建筑材料有限公司年生产加工130万m3建筑用安山岩加工厂项目水土保持设施验收鉴定书》。
现将本次验收情况在长春茂丰水土保持技术有限公司http://www.changchunmaofeng.com网页予以公示。
联系人:张昱馨
电 话:18943224488
附 件:生产建设项目水土保持设施验收鉴定书





